Двухконтурная система отопления для частного дома. Как работает двухконтурное отопление?
- Двухконтурная система отопления для частного дома. Как работает двухконтурное отопление?
- Двухтрубная система отопления на два крыла. Однотрубная схема сети обогрева
- Двухтрубная система отопления частного дома своими руками. Горизонтальные системы
- Двухтрубная система отопления с верхней разводкой. Схема подсоединения батарей
- Двухконтурная система отопления котельной. Преимущества и недостатки
- Однотрубная система отопления. Устройство и принцип раздачи теплоносителя
Двухконтурная система отопления для частного дома. Как работает двухконтурное отопление?
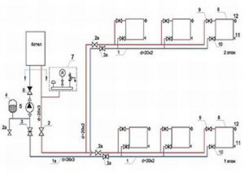
Данная система отопления предполагает двухтрубную разводку, когда подающий и отводящий контур – это два отдельных трубопровода. Первый применяется для подачи нагретого теплоносителя в отопительные приборы, а вторая используется для отвода остывшей жидкости из них. При этом сами радиаторы отопления подключаются параллельно друг другу, что позволяет применять такую систему в зданиях и частных домах различных по площади и конфигурации.
Преимущества и недостатки
Любая система, в данном случае двухконтурная, обладает своими минусами и плюсами.
Считается, что двухтрубная модель будет затратнее при монтаже: потребуется больше труб и соединительных элементов в сравнении с однотрубным аналогом. При этом выполнить установку трубопровода своими руками будет не так легко.
Однако двухконтурная схема обладает рядом существенных преимуществ:
- Равномерное распределение и подача теплоносителя в отопительные приборы;
- Минимальные теплопотери и высокий КПД системы вне зависимости от количества подключенных радиаторов;
- Возможность регулировки температурных показателей в каждом жилом помещении за счет установки запорно-регулирующей арматуры (например, термоголовок ) на каждой батарее.
- Параллельное подключение приборов позволяет устранить поломку одного из элементов, не влияя на работоспособность всей системы.
- Эффективный обогрев больших по площади частных домов и жилых зданий (в одном контуре можно подключить до 40 радиаторов при соблюдении требований и норм по установке).
- Отсутствие гидроударов и низкий расход теплоносителя.
- Возможность использования труб меньшего диаметра для экономии средств при монтаже.
Что лучше – однотрубная или двухтрубная система разводки, читайте в нашей статье .
Двухтрубная система отопления на два крыла. Однотрубная схема сети обогрева
Начнем разбор схемы отопления с одной трубой, которая служит и для подачи воды в батареи и для транспортировки остывшей жидкости к отопительному котлу.
Если необходимо обогревать два крыла или несколько этажей дома, необходимо с помощью тройника разделить поток воды на две или более частей. Каждый контур желательно оснастить запорной арматурой, позволяющей в случае необходимости отсекать его без остановки работы всей системы.

После прохождения всех радиаторов потоки должны быть снова объединены в одну трубу, которая соединяется с входным патрубком котла отопления.
Радиаторы в однотрубной системе отопления могут подключаться двумя способами:
- Последовательным
. В этом случае труба, подающая теплоноситель, подключается к входному патрубку батареи и к выпускному. Никаких дополнительных элементов не монтируется. Теплоноситель не может течь, миновав радиатор отопления. - Параллельным
. Здесь водная магистраль просто прокладывается по периметру всего дома, а радиаторы стыкуются с помощью тройников и отводных участков. Плюс в том, что при выходе из строя одной батареи не нарушается работа всей остальной системы обогрева.
При обустройстве однотрубной системы отопления желательно предусмотреть наличие следующих элементов:
Двухтрубная система отопления на два крыла. Однотрубная схема сети обогрева.
Начнем разбор схемы отопления с одной трубой, которая служит и для подачи воды в батареи и для транспортировки остывшей жидкости к отопительному котлу.
Если необходимо обогревать два крыла или несколько этажей дома, необходимо с помощью тройника разделить поток воды на две или более частей. Каждый контур желательно оснастить запорной арматурой, позволяющей в случае необходимости отсекать его без остановки работы всей системы.
После прохождения всех радиаторов потоки должны быть снова объединены в одну трубу, которая соединяется с входным патрубком котла отопления.
Радиаторы в однотрубной системе отопления могут подключаться двумя способами:
- прямым соединением с трубой;
- через тройник.
При обустройстве однотрубной системы отопления желательно предусмотреть наличие следующих элементов:
- тройника;
- запорной арматуры;
- радиаторов;
- котла отопления.
- Запорной арматуры на входе и выходе из батареи. С ее помощью вы не только сможете регулировать объем поступающей в радиатор воды и, соответственно, температуру в комнате, но и произвести ремонт или замену элемента отопления без слива теплоносителя.
- При последовательном соединении входной и выходной патрубки батареи перед запорными кранами желательно соединить байпасами – отрезками труб меньшего диаметра, которые обеспечат переток воды в случае отсекания радиатора.

Двухтрубная система отопления частного дома своими руками. Горизонтальные системы
Это замкнутая двухтрубная система, в которой вместо вертикальных стояков проложены горизонтальные ветви, а к ним присоединяется определенное число отопительных приборов. Как и в предыдущем случае, ветви могут иметь верхнюю, нижнюю и комбинированную разводку, только теперь это происходит в пределах одного этажа, как показано на схемах:

Как видно на рисунке, система с верхней разводкой требует прокладки труб под потолком помещений либо на чердаке и в интерьер будет вписываться с трудом, не говоря уже о расходе материалов. По этим причинам схема применяется нечасто, например, для обогрева подвальных помещений либо в случае, когда котельная находится на кровле здания. Но если правильно подобран циркуляционный насос и произведена настройка системы, то и с крышной котельной трубы лучше пустить понизу, с этим согласится любой домовладелец.

Комбинированная разводка незаменима тогда, когда нужно смонтировать двухтрубную гравитационную систему, где теплоноситель движется естественным образом за счет конвекции. Подобные схемы до сих пор актуальны в районах с ненадежным электроснабжением и в домах малой площади и этажности. Ее недостатки в том, что через все комнаты проходит множество труб большого диаметра, спрятать их весьма затруднительно. Плюс высокая материалоемкость проекта.

Ну и наконец, горизонтальная система с нижней разводкой. Неслучайно она наиболее популярна, ведь схема сочетает в себе массу достоинств и почти не имеет недостатков. Подводки к радиаторам короткие, трубы всегда можно спрятать за декоративным экраном или замонолитить в стяжку пола. При этом расход материалов приемлем, а с точки зрения эффективности работы трудно подыскать вариант лучше. Особенно когда применяется более совершенная попутная система, продемонстрированная ниже на схеме:

Ее главное преимущество заключается в том, что вода в подающем и обратном трубопроводе проходит одинаковое расстояние и течет в одном направлении. Поэтому гидравлически это самая стабильная и надежная схема при условии, что все расчеты проведены правильно и учтены особенности монтажа. Кстати говоря, нюансы систем с попутным движением теплоносителя состоят в сложности устройства кольцевых контуров. Зачастую трубами надо пересекать дверные проемы и другие препятствия, из-за чего стоимость проекта может вырасти.
Вывод. Для частного дома оптимальным вариантом является двухтрубная горизонтальная система отопления с нижней разводкой, но только совместно с искусственной циркуляцией теплоносителя. Если же требуется обеспечить энергонезависимую работу теплового оборудования и сетей, то рекомендуется взять одну из комбинированных самотечных систем – горизонтальную или вертикальную. Последняя будет уместна в доме с двумя этажами.
Двухтрубная система отопления с верхней разводкой. Схема подсоединения батарей
Стояки отопительных систем располагаются вертикально либо горизонтально. К вертикальным стоякам, которые подключены к котельному агрегату, установленному в цокольном этаже, подвале или на первом этаже, батареи отопления подключаются напрямую. Это схема для построек в несколько этажей. Монтируется необходимое количество стояков для отопления всех жилых помещений.
В одноэтажных и двухэтажных домах используется двухтрубная горизонтальная отопительная система, при этом разводка труб подачи и обратки на каждом этаже может быть верхней, нижней либо комбинированной. К горизонтальным ветвям крепится требуемое количество радиаторов.
Схема нижней разводки подсоединения батарейДвухтрубная система водяного отопления с верхней разводкой подразумевает прокладку труб на чердаке либо под потолком, и это ухудшает эстетику помещения. Комбинированную разводку (труба подачи под потолком, обратный трубопровод – вдоль пола) используют при монтаже гравитационной системы, так как она позволяет обеспечить более эффективную циркуляцию.
Схема двухтрубной системы отопления с нижней разводкой — самый популярный вариант для отопительных систем с принудительным движением теплоносителя. Нижняя разводка может быть спрятана под плинтус, декоративный экран или проложена в полу, благодаря чему в помещении не видно труб. Двухтрубная система отопления с нижней разводкой характеризуется высокой эффективностью, особенно при реализации попутной схемы. В этом случае теплоноситель в подающем трубопроводе и обратной трубе движется в одном направлении и проходит одинаковое расстояние, что обеспечивает гидравлическую устойчивость системы.
Большую роль в эффективности системы играет и схема подключения радиаторов отопления. Батарея имеет четыре входных патрубка, причем на один из верхних устанавливается ручной воздухоотводчик. К двум из трех оставшихся подключается подающая и обратная труба, а лишнее отверстие закрывается заглушкой.
К вертикальным стоякам радиатор крепится следующим образом:
Варианты крепления радиатора к вертикальному стоякуВ системе с горизонтальной подводкой применяются такие схемы подсоединения:
Правильное соединение батареи с горизонтальной подводкойСхему №2 использовать не рекомендуется, так как верхняя часть отопительного прибора полноценно не прогревается, и теплоотдача радиатора получается ниже расчетной. Диагональное подключение (схема №1) обеспечивает максимальный нагрев батареи.
Балансировка
Отопительная система для частного дома с принудительной циркуляцией нуждается в балансировке: все контуры должны быть уравновешены по расходу воды. Чтобы иметь возможность провести регулировку, каждая ветка подключается к магистрали с использованием балансировочного вентиля. Кроме того, на подводке к каждому прибору отопления монтируют термостатический клапан или регулировочный кран.
Радиаторный прямой нижний вентильДля балансировки требуется иметь, как минимум, манометр на соответствующем вентиле, чтобы контролировать перепад давления. В идеале регулировка системы выполняется при помощи специальных приборов.
Если нет оборудования, регулировать двухтрубное отопление придется на ощупь. Для этого после гидравлических испытаний контуры полностью заполняют и стравливают из системы воздух. Затем включают котел и следят за тем, как прогреваются батареи. Радиаторы или контуры, которые располагаются ближе к котлу, регулируют так, чтобы больше тепла уходило в дальние ответвления системы. Это способствует экономии топлива и эффективному обогреву дома.
Вывод
Особенность двухтрубной системы с принудительной циркуляцией в том, что ее монтаж достаточно прост и не требует специфических умений и навыков. Установить приборы отопления и проложить трубопровод со всей необходимой арматурой можно собственными силами. Но подготовку проекта и балансировку рекомендуется поручить профессионалам, поскольку ошибки именно на этих этапах оборачиваются перерасходом энергоносителя, некомфортным микроклиматом в доме, проблемами с эксплуатацией оборудования.
Похожие темы:

Выбор и закачка антифриза в систему отопления

Как промыть систему отопления: 5 способов промывки

Пластинчатый теплообменник: устройство и особенности
Ваша оценка
- 100
- 13 769
Двухконтурная система отопления котельной. Преимущества и недостатки
Схема двухконтурной системы отопления предусматривает некоторые особенности, которые отличают эту конструкцию от других. У неё есть большое количество преимуществ, из-за которых увеличивается популярность и частота использования таких установок. Среди положительных особенностей отопительной системы выделяются следующие:
- 1. Высокая эффективность. Одной конструкции будет достаточно, чтобы полностью обеспечить частный дом и его жителей горячей водой.
- 2. Универсальность. Схему подключения легко можно адаптировать под каждое здание, поэтому её часто используют для отопления не только одноэтажных домов, но и многоэтажных.
- 3. Удобство контроля и обслуживания. Это преимущество возникает из-за того, что все элементы системы замыкаются в одном месте.
- 4. Относительная дешевизна. Двухконтурная отопительная система не требует закупки большого количества дорогостоящего оборудования, что значительно снижает её стоимость.
- 5. Возможность выбора схемы разводки. При любом варианте устройство будет эффективно работать и качественно выполнять свои функции.
- 6. Простота монтажа. Для того чтобы оборудовать в частном доме двухконтурную отопительную систему, не нужно каких-либо профессиональных знаний и навыков. Следовательно, такую работу можно выполнить своими руками.
Несмотря на большое количество преимуществ, у конструкции есть и несколько недостатков. Их обязательно нужно брать во внимание при покупке оборудования и во время процесса установки.
В противном случае можно столкнуться с непредвиденными проблемами, которые значительно затруднят процесс монтажа и повлекут за собой дополнительные финансовые расходы. Недостатками считаются:
- 1.
Необходимость проведения точных вычислений. Для того чтобы установка качественно функционировала, нужно правильно выполнить гидравлический и тепловой расчёт. Кроме этого, требуется правильно определить мощность котла, диаметр труб и входов. Такую работу невозможно выполнить самостоятельно, так как она требует учёта большого количества параметров. Для получения достоверных результатов нужно прибегать к помощи специалистов, имеющих профессиональные навыки и соответствующее программное обеспечение. - 2. Котёл не может одинаково эффективно греть оба контура. В большинстве случаев владельцам частного дома приходится делать выбор в пользу одного из них. Как правило, преимущество отдаётся горячему водоснабжению.
- 3. Двухконтурная система представляет собой довольно габаритную конструкцию, для которой необходимо выделять отдельное помещение. Оно должно быть просторным и обеспечивать простой доступ ко всем элементам устройства. Это поможет упростить проведение ремонтных и профилактических мероприятий.
- 4. Зависимость от главной детали. Поломка или снижение эффективности работы котла приводит к остановке всей системы. Из-за этого владельцы дома лишаются не только отопления, но и горячего водоснабжения.
Однотрубная система отопления. Устройство и принцип раздачи теплоносителя
Система называется однотрубной, поскольку нагретая вода подается и уходит из радиаторов отопления по единому коллектору. Трубопровод является общим для всех батарей, подсоединенных к магистральной ветви. То есть, входная и выходная подводка каждого отопительного прибора подключается к одной трубе, как показано на примере схемы теплоснабжения одноэтажного здания.

Классический вариант закрытой схемы с принудительным движением теплоносителя, подключенной к газовому котлу
Как работает однотрубная радиаторная система отопления:
- Поступающий от котла прогретый теплоноситель достигает первой батареи и делится тройником на два неравных потока. Основная масса воды продолжает двигаться прямо по магистрали, меньшая часть затекает в радиатор (примерно 1/3).
- Отдав тепло стенкам батареи и охладившись на 10—15 °С (в зависимости от мощности и реальной отдачи радиатора), малый поток через выходящий патрубок возвращается в общий коллектор.
- Смешиваясь с основным потоком, охлажденный теплоноситель снижает его температуру на 0.5—1.5 градуса. Смешанная вода доставляется к следующему отопительному прибору, где цикл теплообмена и охлаждения главного потока повторяется.
- В результате каждая последующая батарея получает теплоноситель с более низкой температурой. В конце остывшая вода направляется обратно в котел по той же магистрали.
Важный момент. Чтобы схема отопления работала стабильно, диаметр раздающей трубы должен значительно превышать размеры радиаторных подводок. Правило не касается вертикальных стояков с верхним розливом, где теплоносителю помогает течь вниз сила тяжести (читайте ниже о видах систем).

Цвет и размер стрелок на рисунке характеризует температуру и количество воды соответственно. Сначала потоки разделяются, потом смешиваются, остывая на пару градусов
Чем ниже температура циркулирующей воды, тем меньше тепла достается последним обогревателям. Проблема решается тремя способами:
- в конце магистрали ставятся батареи повышенной мощности – наращивается число секций либо увеличивается площадь панельных стальных радиаторов;
- путем увеличения диаметра трубы и производительности насоса повышается расход теплоносителя через основной коллектор;
- комбинация двух предыдущих вариантов.
Подключение радиаторов к единой распределяющей магистрали – главное отличие однотрубной разводки от остальных двухтрубных систем, где подача и возврат теплоносителя организован по двум раздельным ветвям.
Необходимость проведения точных вычислений. Для того чтобы установка качественно функционировала, нужно правильно выполнить гидравлический и тепловой расчёт. Кроме этого, требуется правильно определить мощность котла, диаметр труб и входов. Такую работу невозможно выполнить самостоятельно, так как она требует учёта большого количества параметров. Для получения достоверных результатов нужно прибегать к помощи специалистов, имеющих профессиональные навыки и соответствующее программное обеспечение.