Автономное отопление газом частного дома.. Схемы разводки автономного отопления
- Автономное отопление газом частного дома.. Схемы разводки автономного отопления
- Автономное газовое отопление в квартире. Почему службы не любят автономное отопление жильцов
- Автономное газовое отопление в частном доме. Централизованное или автономное газоснабжение?
- Автономное отопление в квартире плюсы и минусы
- Как сделать автономное отопление в частном доме. Автономное отопление в частном доме: схемы и виды систем. Самое полное руководство, как сделать автономный обогрев своими руками
- Автономное отопление в многоквартирном доме
Автономное отопление газом частного дома.. Схемы разводки автономного отопления
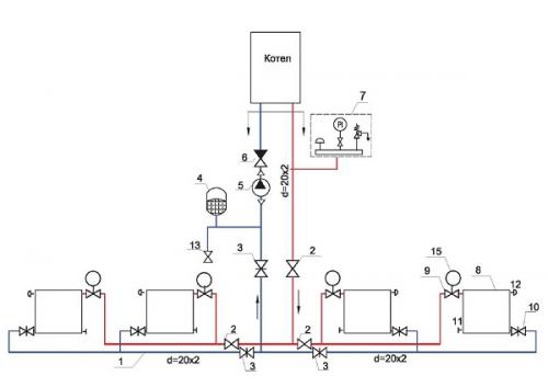
Разводка отопления от газового котла основана на нескольких типовых схемах отопления, которые отличаются по типу циркуляции теплоносителя (обычно воды) и по методам разводки трубопроводов. Различают следующие виды монтажа отопления:
- Однотрубная разводка отопления, в которой трубы закольцованы, а радиаторы расположены последовательно. Теплоноситель, выходя из котла, проходит каждый радиатор по очереди. Температура теплоносителя по мере движения снижается. Примитивна и несовершенна, поскольку температура теплоносителя к концу цикла падает.
- Система «ленинградка» с выделенными байпасами радиаторами является промежуточной и позволяет устранить часть проблем однотрубной схемы;
- Усовершенствованная система «ленинградка» с запорными и балансировочными вентилями;
- Двухтрубная разводка представляет параллельно друг другу идущие трубы подачи и обратки. Позволяет отработавший в радиаторе теплоноситель возвращать для подогрева в котел. Подача теплоносителя к радиатора по такой схеме происходит без потерь тепла.
- Лучевая (коллекторная) разводка распределяет собранный теплоноситель по отдельным радиаторам. Схема сложная, используется нечасто.
Схемы отопления 2-х этажного частного дома могут быть следующие:
1. Система отопления открытого типа
Расширительный бачок — открытая емкость с входным патрубком, подключенным к стояку подачи. Он устанавливается в самой высокой точке системы отопления — теплоноситель не переливается наружу, а расширительный бачок дополнительно выполняет роль воздухоотводчика.
Схема автономного газового отопления открытого типа
2. Система отопления закрытого типа
В системе устанавливается герметичный расширительный бачок, разделенный эластичной мембраной на водяную и воздушную камеры. При температурном расширении излишки теплоносителя попадают в водную камеру бачка. Давление в воздушной камере возрастает, и при снижении температуры давлением теплоноситель возвращается в трубопроводы. Бачок может быть установлен в любой точке, но обычно его монтируют рядом с котлом на трубе обратки. Устанавливается предохранительный клапан сброса давления.
Автономное газовое отопление в квартире. Почему службы не любят автономное отопление жильцов
Как правило, все теплоснабжающие организации – противники автономного отопления в многоквартирных домах, особенно если с самого начала дом был рассчитан именно на централизованное отопление. Если же кто-то из жильцов устанавливает автономный котел, то это разбалансирует внутреннюю систему отопления всего жилого дома.
Кроме того, иногда отделение и установка собственного газового отопления в квартире в странах постсоветского пространства сопровождается нарушениями требований безопасности и документации.
В результате получается так, что тот, кто отделился – остается в экономической выгоде, а остальные жильцы от этого только страдают.
Один из недостатков – это нарушение гидравлического баланса. Так, получается, что в некоторых квартирах помещения нагреваются очень сильно, а в других – наоборот, холодно. Поэтому тепловикам приходится вмешиваться и налаживать систему отопления.
Кроме того, есть еще и экологический аспект. Очень хорошо, если индивидуальное газовое отопление в квартире было установлено в здании, имеющем старую конструкцию – то есть, наличие дымохода предусмотрено. Но в современных многоэтажных домах такого рода вентиляции нет: вентиляционные каналы есть только на кухне и в санузле.
Автономное газовое отопление в частном доме. Централизованное или автономное газоснабжение?
Без сжигаемого горючего толку от любого варианта внутридомовой отопительной системы в автономном исполнении будет ноль. Газ – это первое о чем необходимо подумать при планировании в загородном доме газового отопления.
Далеко не все населенные пункты в России газифицированы. Однако “голубое топливо” можно получать не только из трубы или баллона со сжиженным топливом, но и из газгольдера.
Галерея изображений
Фото из
Газ — самый доступный в ценовом отношении вид топлива, особенно если есть возможность подключения к централизованному газоснабжению
Существенным минусом использования газа является его ядовитость и способность взрываться при нарушении эксплуатационных правил
Централизованные сети газоснабжения транспортируют потребителю природный газ или его искусственный аналог, получаемый в результате переработки на заводах нефти, торфа, угля и др
В городах газ транспортируется по сетям среднего давления, откуда поступает в регуляторные станции, снижающие давление до низких, подходящих для поставки в бытовые приборы значений
В небольших городах и более мелких населенных пунктах прокладываются сети низкого давления, поставляющие низкокалорийное и среднекалорийное голубое топливо
Газопроводные линии прокладывают под землей, заглубляя их ниже уровня сезонного промерзания грунтовых слоев. Надземная прокладка допускается в местах пересечения рек, автотрасс, оврагов и подобных препятствий
На вводе в частное здание, а также микрорайон или поселок устанавливается отключающее устройство. Их ставят на каждом ответвлении трубопровода и перед переходами газопровода через препятствия
Внутреннюю разводку газопровода выполняют из водогазопроводных труб, регламентированных ГОСТ 3262-75. Их дважды окрашивают масляной краской, чтобы уберечь от коррозии
Подключение дома к центральному газоснабжению
Частный дом газифицирован
Магистральный газовый трубопровод
Регулирующая давление в газопроводе станция
Газовая сеть небольшого населенного пункта
Прокладывают линии газопровода по правилам
Отключающий кран на вводе в частный дом
Защитное окрашивание газопроводов
Природный газ, состоящий в основном из метана, в частные дома подается по трубам. Сжиженный его аналог – это пропан-бутановая смесь, которую для транспортировки и хранения закачивают в емкости. Давление в таких баллонах и газгольдерах около 15–18 атмосфер.
При организации отопления в частном доме с помощью баллонных емкостей в 50 литров последние зимой придется менять каждые 2-3 дня. Если для загородного коттеджа выбрано автономное газоснабжение, то лучше всего предпочесть газгольдер, который объемом может быть до 20 кубометров.
Выбор емкости по кубатуре зависит от уровня потребления сжиженных углеводородных газов (СУГ). Здесь необходимо учесть не только водогрейный котел, но и камин и газовую плиту, если они используются в доме.
Для коттеджа в 150 кв.м. рекомендуется газгольдер устанавливать объемом в 2000–3000 литров. А для загородного жилища в 300 кв.м. потребуется вариант на 8000–9000 литров.
При отсутствии в поселке газовой магистрали можно воспользоваться вариантом с автономным снабжением топливом из газгольдера, предназначенного для хранения газа в сжиженном состоянии
По стоимости подключения газопровод в большинстве случаев более выигрышен, нежели резервуар в земле. Но только, когда населенный пункт уже газифицирован.
Возможны и ситуации, при которых установка газгольдер обойдется дешевле, нежели подсоединение к магистральному трубопроводу. Все зависит от конкретных условий подключения в регионе и удаленности поселка от большой газовой магистрали.
Галерея изображений
Фото из
Бытовые установки сжиженного газа
Расположение группы газовых баллонов
Газгольдер для закачки сжиженного газа
При использовании газгольдера не придется беспокоиться о наличии давления в трубе. Он предельно прост в эксплуатации. Надо лишь регулярно вызывать специалистов для его проверки на безопасность, а также не забывать производить заправку. Для монтажа всей системы потребуется не более трех дней.
Если выбран автономный вариант газификации, то газовый котел следует приобретать тот, который предназначен для работы на СУГ. В продаже есть модели, рассчитанные на функционирование исключительно на магистральном природном газе.
Автономное отопление в квартире плюсы и минусы
Здравствуйте, дорогие друзья! Вот и подходит лето к своему завершению. Вскоре наступит прохладная осень, а вместе с ней и необходимость обогрева жилья. Увы, не все и не всегда получают достаточное количество тепла в свои обители, посредством централизованного отопления. И в таких случаях нам приходится самим решать данную проблему. Решением может стать индивидуальное отопление. О нём и пойдёт речь в данном описании.Иногда, чтобы принять верное решение, нам приходится разбирать вопрос по полочкам, выявляя все за и против. Предлагаю поступить так же. Следовательно, автономное отопление в квартире плюсы и минусы.
Достоинства автономного отопления

Пожалуй, самым главным достоинством индивидуального отопления является то, что оно индивидуальное . Все блага, которые вы получите, предназначены исключительно для вас. А какие именно блага, мы разберём далее по списку:
① Используя независимую систему, вы сами решаете, когда закончится отопительный сезон в вашей квартире. Забудьте про рамки и ограничения.
② Вы сможете осуществлять регулировку температуры в помещении по своему усмотрению. В вашей квартире будет настолько тепло, насколько это нужно вам, а не насколько вам позволят. Данный пункт особенно понравится семьям с маленькими детьми.
③ В случае, когда нужно уехать на некоторое время, котёл можно выставить на минимальный обогрев, либо совсем отключить. Пользуясь централизованной системой, так сделать нельзя.
④ Это-экономно.
Примечание : экономно, когда на вас работает газовый котёл с водяной системой. Сумма, которую требуют за центральное теплоснабжение, будет выше. Если же котёл электрический, то сэкономить вам вряд ли удастся.
Затраты на газовую аппаратуру очень быстро окупят себя за счёт рационального расхода сырья. К электрической колонке едва ли можно применить слово “экономная”. Производство тепла за счёт электроэнергии является дорогостоящим удовольствием. Помимо покупки ингредиентов устройства, вам также придётся позаботиться о хорошей проводке, что в состоянии будет выдержать всю мощность потребления вашей квартирой. И даже несмотря на это, всегда есть вероятность отключения электроэнергии по различным причинам. Согласитесь, отключение газопровода крайне редкое явление.
⑤ Установив индивидуальный обогрев, вы навсегда обеспечиваете себя теплом и горячей водой. Поэтому можно забыть о сезонном отключении. Всего то и надо сделать продуманный выбор колонки. Котлы бывают одноконтурные и двухконтурные . Вам понадобится двухконтурный.
⑥ Автономное отопление даёт возможность установки радиаторов там, где заблагорассудится. Если же вас в принципе смущают радиаторы, всегда можно обустроить систему водяных тёплых полов.
⑦ В случае с центральным отоплением, батареи в течении нескольких месяцев простаивают без воды, в следствии чего окисляются. Автономка этим не обременена, так как система всегда заполнена водой. Это означает, что нет контакта с воздухом, что значительно сокращает факт образования коррозии.
Как сделать автономное отопление в частном доме. Автономное отопление в частном доме: схемы и виды систем. Самое полное руководство, как сделать автономный обогрев своими руками
Разветвлённая сеть тепломагистралей, подключающая каждую высотку к теплостанции, является прерогативой крупных населённых пунктов. Счастье не заботиться перед каждой зимой о закупке дров, угля или топливных брикетов принадлежит горожанам.

В сельской же местности обитателям частных домов и коттеджей чаще всего приходится самостоятельно решать вопрос эффективного обогрева и получения горячей воды для бытовых нужд, устанавливая с помощью профильных специалистов производительную автономную систему отопления.

Современные системы отопления
Выбрать подходящую систему и осуществить её монтаж собственными силами может лишь опытный домашний мастер. Чаще всего домовладельцы прибегают к услугам профильных компаний, специалисты которых умеют производить точные расчёты, а также с помощью специального инструмента и материалов осуществлять установку компонентов системы.
котёл электрический отопительный

Самым распространённым теплоносителем, используемым для обогрева частных домов, является обычная вода. В регионах с суровыми зимами может также использоваться этиленгликоль или пропиленгликоль – незамерзающие жидкости, предотвращающие промерзание труб и образование ледяных пробок, останавливающих течение теплоносителя.
этиленгликоль

До нужной температуры вода доводится с помощью котла, использующего доступные виды горючих материалов. Важнейшей задачей при выборе системы отопления является определение наименее затратного типа топлива, а также оптимального типа котла, если рассматривать надёжность и затраты на покупку, установку и эксплуатацию.
пропиленгликоль
Автономная система отопления на электричестве
Воздух в помещениях можно довести до нужной кондиции не только с помощью радиаторов, по которым циркулирует теплоноситель. Автономное отопление электричеством в частном доме позволяет избавиться от закупки горючих материалов и бесконечных хлопот по обслуживанию топки.
котёл электрический отопительный

Электрические нагревательные элементы способны довести температуру в доме до необходимого значения, при этом автомат своевременно отключит устройство, экономя дорогостоящий ресурс.

Однако автономность в данном случае достигается лишь частичная, поскольку любая серьёзная авария на линиях электропередач способна оставить дом без тепла на неделю, что в условиях лютых морозов недопустимо.
котёл жидкотопливный

Автономная система отопления на газу
Чтобы не разориться на оплате счетов за электроэнергию, многие домовладельцы выбирают систему, работающую на природном газе.
- Автономное отопление газом в частном доме осуществляется за счёт поступления пропана, огромный запас которого хранится в газгольдере.
- Объёмный металлический бак размещается на поверхности или под землёй рядом с домом. Газ поступает в отопительный котёл по трубе.
- Заправка газгольдера осуществляется с газовоза с периодичностью раз в год и реже.
- По сравнению с прочими видами топливных котлов, отопление газом из газгольдера характеризуется минимальными расходами на пополнение запасов топлива, а также отсутствием ежедневных трудозатрат на поддержание процесса в системе.
бак расширительный

газовый котёл двухконтурный
Газ поступает в котёл своим ходом, а автоматика следит за его сгоранием без участия человека.

Достоинства и недостатки автономной отопительной системы
Само название автономной системы отопления подразумевает отказ от некачественных и дорогостоящих услуг сторонних поставщиков тепловой энергии.
Таким образом, обладатель автономной отопительной системы приобретает следующие преимущества:
- Возможность начинать и заканчивать отопительный сезон в соответствии с погодными условиями.
- Осуществляется ручное управление мощностью устройств, что позволяет выставлять комфортную температуру в каждом из помещений в зависимости от времени суток.
Автономное отопление в многоквартирном доме
Можно ли в квартире установить автономное отопление своими руками? Хотя законодательного запрета на проведение автономного отопления нет, все равно желательно проконсультироваться у юриста, так как на некоторые обогревательные системы наложен запрет . Например, водяные теплые полы в квартирах нельзя монтировать из-за того, что они могут перегрузить систему, лишив, таким образом, тепла других жильцов дома.
В остальных случаях, требуется собрать необходимые документы и предъявить их в органы местного самоуправления:
- техпаспорт на жилье;
- заявление об отказе от центрального отопления;
- документ на право собственности;
- схему новой системы отопления;
- согласие всех жильцов квартиры.
Как правило, такая на первый взгляд простая просьба, как отказ от центрального отопления и переход на само обеспечение теплом, оказывается длительной бюрократической проблемой.
Еще большими неприятностями станет установка автономного отопления в квартире без соответствующего на то разрешения. Это может закончиться не только большим штрафом, но и судебным разбирательством, так что перед тем, как решиться обустраивать квартиру какими-либо отопительными системами, нужно получить консультацию в соответствующих органах и разрешение на автономное отопление в квартире .
Схемы автономного отопления квартиры:



Достоинства и недостатки
Если на автономное отопление в многоквартирном доме разрешение уже получено, то можно приступать к выбору альтернативного вида тепла. Это проще сделать, зная плюсы и минусы автономного отопления в квартире.
Впервые автономная система отопления квартиры появилась в Европе. Благодаря ее явным преимуществам перед централизованными способами обогрева помещений, она довольно быстро распространилась по всему миру.
Преимущества:
- Главное преимущество системы – это значительная экономия средств . Владелец квартиры самостоятельно решает, когда ему включать, а когда выключать обогрев. Например, сегодня существуют терморегуляторы, в которых можно установить таймер на определенное время, что позволяет либо полностью, либо частично отключать систему, когда дома никого нет, и включать за полчаса до прихода жильцов.
- Владелец квартиры может в каждой комнате создать нужный микроклимат.
- Платить исключительно по отопительному счетчику и не зависеть от коммунальщиков и государственных тарифов.
Делая выбор в пользу альтернативного тепла, нужно заранее узнать, сколько стоит автономное отопление в квартире, и какой его вид будет не только экономным, но и эффективным.
Среди недостатков подобной системы можно отметить следующие нюансы:
- Регулярная ее профилактическая проверка раз в год, для чего нужно вызывать специалиста. Это не так дорого стоит, но все равно многие пользователи либо игнорируют эту необходимость, либо попросту забывают о ней.
- Устанавливая даже самые лучшие радиаторы отопления для квартиры, следует помнить о возможных теплопотерях , которые часто вызывают наружные стены, неотапливаемые снизу помещения или некачественное остекление.
Сегодня многие строительные организации возводят жилые многоквартирные дома с уже готовыми автономными системами обогрева. Такое жилье пользуется большим спросом, так как стоит несколько дешевле и позволяет владельцам самостоятельно решать, какой вид отопления выбрать.