Автономная газификация

Особенности автономной газификации частного дома

Обвязка двухконтурного газового котла: какую схему выбрать и как реализовать

30.09.2023 в 04:01

Обвязка двухконтурного газового котла: какую схему выбрать и как реализовать

Определение понятия и конструкционные особенности

Каковы преимущества и недостатки

Обязательные элементы для обвязки

Виды труб для обвязки котлов

Какую схему обвязки выбрать

Несколько факторов, определяющих конечный выбор схемы обвязки

Как выполнить обвязку системы отопления прямым способом

Коротко о главном

Монтаж отопительной системы – это сложный процесс, включающий в себя установку нагревательного оборудования и его обвязку трубопроводным контуром. Раскладка труб, требует опыта и наличия определенных знаний от выполняемого работу мастера. Чтобы обвязка двухконтурного газового котла была выполнена верно, нужно учитывать несколько факторов, например тип системы и количество контуров.

Обвязка двухконтурного газового котла: какую схему выбрать и как реализовать

Двухконтурный котел – обвязка и подключение

Определение понятия и конструкционные особенности

Обвязка настенного котла – это монтаж трубопроводного контура, включающий в себя внешние узлы и дополнительное оборудование: циркуляционный насос, клапаны, запорная арматура и прочие дополнения. В понятие также входит сам процесс распределения трубопровода вокруг отопительного оборудования.

Разводка для двухконтурного оборудования усложняется тем, что помимо контура отопления, потребуется выполнить монтаж труб для ГВС и подключить к приборам.

Важно! Обвязку газового котла отопления в частном доме должен проводить только специалист, поскольку нужно обладать знаниями по технике правильного паяния медных или пропиленовых труб.

Обвязка двухконтурного газового котла: какую схему выбрать и как реализовать 01

Как подключить настенный газовый котел к открытой системе отопления. Возможна ли самостоятельная установка?

Своими руками можно провести монтаж настенного газового котла самых простых модификаций. Таких например, как одноконтурные приборы с камерой сгорания открытого типа.

Для их установки потребуется подключить отопительную систему, подвести газ и организовать дымоотвод. Впрочем, некоторые производители котлов в технической документации к своей продукции указывают, что установка должна проводиться только специалистами.

Установка и подключение газового котла — ответственная и достаточно сложная работа. Многие производители отопительного оборудования требуют, чтобы ее выполняли профессионалы

В этом случае самостоятельный монтаж даже самых простых моделей запрещен. Таким образом, если планируется, что оборудование будет устанавливаться самостоятельно, перед его покупкой следует убедиться, что производитель это разрешает.

Проверку правильности произведенного монтажа и подключение устройства к газовой магистрали должен проводить только специалист со специальным допуском.

Помимо этого представитель газовой службы должен выдать и разрешение на эксплуатацию установленного оборудования. Без этого владельца самостоятельно установленного и запущенного прибора ждут серьезные штрафы.

Таким образом, без приглашения специалистов можно провести только подключение устройства к системе отопления и к водопроводу. Причем желательно делать это лишь при наличии определенного опыта.

Обвязка газового котла Baxi. Схемы обвязки систем отопления Baxi

Несмотря на то, что производитель позаботился о том, чтобы предоставить пользователю всю необходимую документацию по обвязке котла к системе отопления, для того чтобы сохранить гарантийные обязанности, не рекомендуется выполнять это самостоятельно, нужно пригласить сервисную службу, которую порекомендуют в магазине при покупке агрегата.

Это позволить не только сохранить гарантию на оборудование, но и решить в будущем вопросы с инспекцией горгаза, которые должны будут давать разрешение на эксплуатацию газового оборудования.

Таким образом, задачей пользователя будет подбор нужной схемы обвязки. Она будет зависеть от установленного контура отопления. Согласно существующим схемам теплоснабжения она может быть:

  • двухтрубная для домов большой отопительной площади;
  • однотрубная с естественной циркуляцией для домов малой нагреваемой площади;
  • комбинированная, для многоконтурных систем отопления.

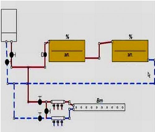
Двухтрубная схема

Двухтрубная схема Бакси выполняется из источника нагрева, циркуляционного насоса, расширительного бака, группы безопасности, грязевика и фильтра очистки теплоносителя.

Обвязка газового котла Baxi. Схемы обвязки систем отопления Baxi

Принцип работы двухтрубной сети:

  1. Холодная вода через фильтр поступает в отопительный контур на всас сетевого насоса.
  2. Вода поступает в котел, нагревается до температуры установленной пользователем на рабочей панели.
  3. Нагретый теплоноситель поступает на подачу системы отопления.
  4. От подающего трубопровода идут ответвления к каждому прибору отопления.
  5. Охлажденная вода из радиатора по обратному ответвлению поступает в общую обратную магистраль и насосом подается в агрегат для следующего цикла нагрева

На приборе отопления устанавливаются воздухоотводчики и тепловой датчик, который регулируют теплоноситель в зависимости от установленной температуры.

Благодаря такой схеме радиаторы нагреваются равномерно и при необходимости могут быть полностью индивидуально отключены.

Однотрубная схема

Однотрубная схема с естественной циркуляцией доступная и экономичная схема обвязки предназначена для малогабаритных одноэтажных домов.

Обвязка газового котла Baxi. Схемы обвязки систем отопления Baxi

Схема состоит в следующем:

  1. Газовый котел устанавливается на стену в кухне.
  2. Подача от устройства поступает по одному трубопроводу, к которому подключены все радиаторы последовательно.
  3. Нагретый теплоноситель из аппарата поступает в подающую магистраль, которая имеет верхнюю разводку, а затем последовательно проходит по всем радиаторам отопления.
  4. Из последнего радиатора он поступает в обратную магистраль и затем в котел для нового цикла нагрева.
  5. Движение среды протекает под воздействием естественной циркуляции, возникающей при разности температур в подаче и обратке. Для эффективности движения трубопроводы подачи и обратки устанавливаются с уклоном. Воздушник устанавливается в самой верхней точке, обычно в чердачном помещении.
  6. В системе устанавливается расширительный бак для компенсации температурного расширения теплоносителя.

Недостаток такой схемы, в том, что первые по ходу теплоносителя батареи перегреваются, а последние недогреваются. Эффективность схемы можно повысить, если интегрировать в контур циркуляционный насос, что позволит увеличить площадь нагрева от 40 м2 до 150 м2.

Комбинированная схема системы газового отопления Бакси

Обвязка газового котла Baxi. Схемы обвязки систем отопления Baxi

Это наиболее прогрессивная схема обвязки котла, она имеет несколько независимых контуров отопления — радиаторный и систему "теплый пол".

Обычно радиаторы устанавливают в спальных комнатах и гостиной, а в остальных помещениях в кухне, ванной комнате и других подсобных помещениях устанавливают "теплый пол", который работает в более низких температурных режимах и может работать с обратным теплоносителем.

В этом варианте тем система будет более полно отбирать тепло у греющей сетевой воды. При этом, чем ниже будет температура в обратном трубопроводе, тем выше обеспечен КПД теплосетевой установки.

Ограничение температуры обратного теплоносителя устанавливается заводом изготовителя для конкретной модели агрегата, чтобы противодействовать процессу образования конденсата в дымовых газах. Для распределения теплоносителя по разным контурам потребуется установка котла Бакси с гидравлическим коллектором и отдельными насосами циркуляции на каждый контур.

Подключение газового котла в частном доме. Последовательность подготовительных мероприятий

Базовая регламентирующая документация для установки котла

Первым шагом рекомендовано ознакомиться с нормативной документацией, в которой, в принципе, и изложены все правила и требования, необходимые при обустройстве автономного отопления в квартире или частном доме.

Все эти данные можно найти в СНиП (Строительные нормы и правила) 31-02-2001, «Газоснабжение загородного дома. Предъявляемые требования и правила установки газового оборудования».

Кроме этого документа, нужно просмотреть и дополнительные, содержащие информацию по обустройству котельных и правилам установки котла. Их также можно найти в среди «Строительных норм и правил»:

  • СНиП 41-01-2003 «Отопление, вентиляция и кондиционирование».
  • СНиП 21-01-97 «Пожарная безопасность зданий и сооружений».
  • СНиП 2.04.01-85 «Внутренний водопровод и канализация зданий».

Для обустройства котельной в частном доме, следует изучить СНиП 2.04.08-87.

Как оборудуется котельная в частном доме?

В собственном доме под отопительное оборудование обычно выделяется отдельное помещение. Каким требованиям должна отвечать котельная – подробная информация об этом изложена в отдельной публикации нашего портала.

Согласование установки газового котла

Для того чтобы установить газовый котел в частном доме или квартире, мало будет изучить документы СНиП. Для начала необходимо получить технические условия, которые станут основанием для организации дальнейших работ по подключению оборудования к газовым магистралям.

Для этого хозяином жилья полается заявление в местную службу газоснабжения, в котором указывается предполагаемый расход газа, необходимый для использования в конкретном строении для отопления и для других нужд. Этот параметр рассчитывается ориентировочно на базе нормативов СНиП 31-02, п. 9.1.3, в котором приведены среднесуточные показатели объема газа для одноквартирного дома:

— газовая плита (приготовление пищи) – 0,5 м³/сутки;

— горячее водоснабжение, то есть использование проточного газового водонагревателя () — 0,5 м³/сутки;

— отопление с помощью бытового газового агрегата с подключенным водяным контуром (для средней полосы России) — от 7 до 12 м³/сутки.

В местной организации, контролирующей газоснабжение и установку котельного оборудования, запрос рассматривается специалистами. Для заявителя составляется документ с техническими условиями или с мотивированным отказом. Процесс рассмотрения может занять от одной недели до месяца, в зависимости от оперативности работы данной контролирующей службы.

Если запрос будет удовлетворен, то на руки выдаются технические условия, которые должны быть полностью реализованы при монтаже газового оборудования. Этот документ одновременно будет являться разрешением на проведения соответствующих работ.

Необходимо твердо знать, что установка газового оборудования без получения технических условий является незаконной. К тому же несогласованный самостоятельный монтаж котла — весьма небезопасен, особенно в тех случаях, когда подобные работы будут проводиться в многоэтажном доме. Печальных примеров тому, увы, сколько угодно.

Разработка проекта установки

Когда технические условия будут получены, можно переходить к составлению проекта установки.

Проект разрабатывается с учетом всех требований, указанных в технических условиях. Сюда же входит схема прокладки газовых коммуникаций: для частного дома – по участку до входа в жилое строение с указанием этой точки в чертеже, а для квартиры — от входа в нее трубы газоснабжения до точки подключения к отопительному котлу

Начинать какие бы то ни было монтажные работы запрещено, пока не будет составлен, согласован и утвержден соответствующий проект

Разработкой проекта должны заниматься только специалисты-проектировщики, имеющие лицензию на проведение работ данного вида. Как правило, в организации, занимающейся газоснабжением в том или ином регионе (населенном пункте) предусмотрен проектный отдел, где и осуществляется все подобные изыскания, расчеты и их графическое оформление.

Утверждение проекта

Далее, готовый проект отправляется для согласования в отделение организации, контролирующей газоснабжение дома, где будет устанавливаться. Период согласования предоставленных документов зависит от сложности схемы проекта, и может занять от одной недели до трех месяцев.

К отдаваемого на согласование проекту установки котла и подведения газовой магистрали обязательно прикладываются следующие документы с характеристиками котельного оборудования:

  • Техпаспорт газового котла.
  • Инструкция по его эксплуатации.
  • Сертификаты соответствия техническим и санитарно-гигиеническим требованиям.
  • Данные экспертизы о соответствии данного агрегата всем предъявляемым требованиям безопасности.

Эти документы покупателю выдает продавец вместе с котлом, а оформляются они производителем котельного оборудования.

В случае если проект не получил одобрения, то помимо мотивированного отказа заявителю выдается перечень тех действий, которые необходимо произвести для получения положительного заключения.

Первым шагом рекомендовано ознакомиться с нормативной документацией, в которой изложены все правила и требования, необходимые при обустройстве автономного отопления в квартире или частном доме.

Все эти данные можно найти в СНиП (Строительные нормы и правила) 31-02-2001, «Газоснабжение загородного дома. Предъявляемые требования и правила установки газового оборудования».

Кроме этого документа, нужно просмотреть и дополнительные, содержащие информацию по обустройству котельных и правилам установки котла. Их также можно найти в среди «Строительных норм и правил»:

  • СНиП 2.04.08-87

Для обустройства котельной в частном доме, следует изучить СНиП 2.04.08-87.

Как оборудуется котельная в частном доме?

В собственном доме под отопительное оборудование обычно выделяется отдельное помещение. Каким требованиям должна отвечать котельная – подробная информация об этом изложена в отдельной публикации нашего портала.

Как установить газовый котел в частном доме или квартире?

Для того чтобы установить газовый котел в частном доме или квартире, мало будет изучить документы СНиП. Для начала необходимо получить технические условия, которые станут основанием для организации дальнейших работ по подключению оборудования к газовым магистралям.

Для этого хозяином жилья полается заявление в местную службу газоснабжения, в котором указывается предполагаемый расход газа, необходимый для использования в конкретном строении для отопления и для других нужд.

Этот параметр рассчитывается ориентировочно на базе нормативов СНиП 31-02, п. 9.1.3, в котором приведены среднесуточные показатели объема газа для одноквартирного дома:

Показатель Значение
Среднесуточный объем газа 5-7 м³