Схемы систем отопления в частном доме. Принудительная и естественная схема
- Схемы систем отопления в частном доме. Принудительная и естественная схема
- Схема отопления частного дома 2 этажа. Как делается разводка для двух этажей с помощью тупиковой схемы
- Схема отопления одноэтажного частного дома. Схемы однотрубных систем
- Правильная разводка отопления в частном доме. Как устроена двухтрубная система отопления
- Водяное отопление в частном доме с насосом. Виды котлов и других водогрейных аппаратов
- Отопление частного дома варианты. Какое отопление лучше для частного дома?
- Схемы отопления частного дома Ленинградка. Технология установки системы Ленинградка в частном доме
- Простая система отопления частного дома. Как правильно монтировать отопление
Схемы систем отопления в частном доме. Принудительная и естественная схема
Обогрев воды может происходить в нескольких отопительных устройствах, которые расположены в доме. Это могут быть камины, печи, котельное оборудование. Давление теплоносителя в трубах можно обеспечить либо при помощи циркуляционных насосов, либо установкой особой геометрии системы, которая позволяет организовать естественную циркуляцию воды по трубопроводу.
Обогрев воды может происходить в нескольких отопительных устройствах
Также источником теплоносителя может являться централизованная отопительная магистраль для нескольких зданий. При слабом напоре можно подключить циркуляционный насос, чтобы увеличить давление и повысить скорость передвижения жидкости по трубопроводу.
Во время выбора разводки отопления от газового котла с естественной циркуляцией либо небольшого сечения трубопровода при централизованной отопительной магистрали нужно внимательно относиться к возможности применения физических законов, которые дают возможность начинать и сохранять передвижение теплоносителя.
Коллектор разгона считается обязательным устройством в этой схеме разводки отопления частного дома. Он представляет собой вертикальную трубу, по которой теплоноситель поднимается кверху, а после распределяется по радиаторам и, охладившись, спускается вниз. Из-за различной плотности появляется гидростатический перепад в напоре горячей и холодной воды, что и передвигает теплоноситель по трубам.
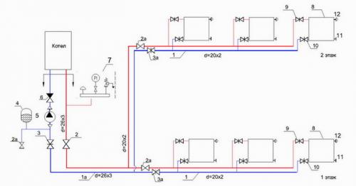
Схема отопления частного дома 2 этажа. Как делается разводка для двух этажей с помощью тупиковой схемы
Наиболее часто применяется и просто реализуется тупиковая двухтрубная схема для двух этажей. Для небольшого частного дома – два плеча на первом этаже и одно плечо на мансардном этаже. Если второй этаж полноценный — там, соответственно, тоже 2 плеча… В каждом простом (не ветвящемся) тупике рекомендуется до 5 шт. радиаторов. Таким образом для 2х тупиков на этаж — до 10 шт радиаторов, обычно это полностью устраивает по отапливаемой площади до 250 м кв.

Схема легко совмещается с теплым полом на первом этаже. Не требует глубоких балансировок, обеспечивает расход теплоносителя через все радиаторы с разницей не более 20%, что приемлемо, при этом наиболее дешева, может применяться и для прокладки труб по стенам с перебуриванием перегородок, и для прокладки под полом. Важно, что нет необходимости обходить дверные проемы — тупики располагают так, чтобы они заканчивались возле дверей…

На практике зачастую тупиковую разводку дробят для удобства подключения и укорачивания разводки под полом – один тупик делят еще на 2 — 3 ответвления, если их длина и тепловая нагрузка приблизительно одинаковые, по 2 – 3 радиатора в каждом ответвлении. Таким образом, в одном тупике может быть установлено без глубокой балансировки более 5 радиаторов.

Схема отопление двухэтажного здания, тупиковая с разветвлением тупиков на несколько ветвей. Здесь используются несколько стояков для подключения радиаторов второго этажа. Но по дизайнерским соображениям подобные схемы часто бракуются, их несложно заменить разводкой гибких труб над отшивкой потолка.
Схема отопления одноэтажного частного дома. Схемы однотрубных систем
Для обогрева загородных коттеджей и квартир многоэтажных домов применяется всего 2 типа однотрубных схем:
- Классическая ленинградская система отопления с нижней горизонтальной разводкой представлена выше на первой картинке.
- Радиаторная сеть с вертикальными стояками.
Справа изображена классическая «ленинградка» с нижним подключением батареи, слева — подсоединение к однотрубному стояку
«Ленинградка» предусматривает подключение радиаторов к общей кольцевой магистрали, проложенной горизонтально над полом. Классика жанра – нижнее боковое присоединение обеих подводок. При более современном подходе трубы подключаются к батарее диагонально, мастера-монтажники практикуют оба метода.
Вторая схема применяется в многоквартирных и двухэтажных частных домах. Сквозь перекрытия проходят вертикальные одинарные стояки, к ним схеме присоединены батареи на каждом этаже. Подача воды в стояки предусматривается из нижнего или верхнего горизонтального коллектора.
Вертикальные разводки многоквартирных домов с нижним и верхним розливом
Оба типа разводок могут функционировать с принудительной и естественной циркуляцией воды (самотеком). Схемы видоизменяются в зависимости от условий эксплуатации:
- Для работы «ленинградки» в самотечном режиме придется нарастить внутреннее сечение кольцевого коллектора до 40—50 мм, сделать уклоны и поднять от котла вертикальный разгонный участок, иначе протока через радиаторы не будет. Открытый расширительный бак подсоединяется к высшей точке, как изображено на принципиальной схеме отопления одноэтажного дома.
- Реализовывать самотечный принцип в двухэтажном здании лучше по схеме со стояками, проходящими сквозь нужные комнаты. Труба подачи Ø40—50 мм поднимается прямо к расширительной емкости, установленной на чердаке. В стороны от нее расходятся горизонтальные ветви с уклонами, подающие сверху воду к стоякам и радиаторам. На подъеме можно смонтировать байпасный узел с циркуляционным насосом.
- Закрытая одноконтурная разводка с напорной циркуляцией представлена в начале этого раздела. В двухэтажном доме «ленинградку» нужно сделать двухконтурной – предусмотреть отдельную горизонтальную петлю с подачей теплоносителя через перекрытие, как показано на аксонометрической схеме.
Правильная разводка отопления в частном доме. Как устроена двухтрубная система отопления
Отопление частного дома с использованием радиаторов подразумевает обустройство трубопроводной сети. Двухтрубная система отопления лучше всего подходит для самостоятельного изготовления, так как «прощает» неопытному мастеру некоторые ошибки в работе.
Общие сведения о двухтрубной системе отопления
Любая система обогрева с жидким теплоносителем состоит из одного или нескольких замкнутых контуров, соединяющих радиаторы и котёл.
В двухтрубной разводке горячий теплоноситель подаётся по одной ветви контура, а возвращается по другой, отсюда и происходит название.
Схема типичной двухтрубной системы отопления в частном доме.
Признаки классификации:
- Организация движения теплоносителя – самотёчная и принудительная.
- Конструкция – открытая или закрытая, горизонтальная или вертикальная.
- Разводка труб – лучевая, тупиковая, кольцевая.
Комбинируя свойства, можно добиться наилучшего соответствия условиям эксплуатации.
Преимущества и недостатки
Плюсы и минусы двухтрубной системы следует рассматривать с учётом эксплуатационных свойств и технических характеристик.
| Преимущества | Недостатки |
| Одинаковая температура теплоносителя во всех радиаторах | Повышенный расход труб – к радиатору необходимо вести 2 ветки, подводящую и отводящую |
| Регулировка теплоотдачи каждой батареи | Большой диаметр труб стояка и подводки к первым в контуре радиаторам |
| Небольшое гидравлическое сопротивление | |
| Работоспособность всей системы при поломке одного или нескольких радиаторов | |
| Использование в зданиях большой этажности | |
| Гибкость вариантов подводки – в полу, в стенах, вдоль стен, под потолком и за фальшпотолком |
В таблице отмечены общие для всех двухтрубных сетей недостатки. Однако каждому варианту разводки могут быть присущи отрицательные качества, ограничивающие применение, которые мы еще рассмотрим далее.
Схемы открытых и закрытых двухтрубных систем отопления
Циркуляция теплоносителя осуществляется тремя способами:
- самотёчным (гравитационный);
- принудительным с помощью насоса;
- комбинированным.
Кроме того, системы разделяются на открытые и закрытые. Этот показатель характеризует взаимодействие теплоносителя и атмосферы.
При нагревании объём любого жидкого теплоносителя увеличивается. Известно, что жидкость практически не поддаётся сжатию, поэтому для размещения «излишков» требуется отдельное устройство – расширительный бак.
Открытый тип
Схема двухтрубной системы отопления открытого типа.
В открытых системах бак устанавливают в высшей точке, он соединён с атмосферой патрубком.
Преимущества открытой системы – простота и минимум дополнительных устройств. В качестве расширительного бачка используют любую.
Готовый расширительный бак под СО открытого типа.
По мере необходимости в бак добавляют воду. Для этого:
- устанавливают краны и соединяют систему с водопроводом;
- доливают теплоноситель через открывающийся люк.
Внимание! Открытую систему не допускается заполнять антифризом – испарившиеся газы могут быть ядовиты.
Закрытый тип
В закрытых системах используют герметичный расширительный бачок с эластичной диафрагменной или баллонной мембраной внутри. Мембрана разделяет устройство на 2 части. В одну камеру насосом нагнетают воздух под давлением 1,2–1,5 атм, а вторая соединена с трубой системы отопления.
Когда теплоноситель нагревается и расширяется, его избыток заполняет бачок. При понижении температуры жидкости мембрана выдавливает теплоноситель в систему. Предварительное нагнетание в бак воздуха позволяет поддерживать давление, необходимое для работы котла, автоматика которого отключает питание при давлении меньше 1,2 атм.
В герметичных конструкциях можно использовать антифризы или гликоли.
Схема двухтрубной системы отопления закрытого типа.
В закрытых сетях бак располагают неподалёку от котла, что упрощает контроль за работоспособностью всей конструкции.
Самотёчные схемы
Самотёчные (гравитационные) системы работают за счёт законов физики. При нормальном атмосферном давлении, будучи нагретой до 50оС, вода имеет плотность 988 кг/м3, а при 85оС — 968 кг м3.
Схема двухтрубной гравитационной системы открытого типа.
В отопительном контуре горячая вода (более лёгкая) поднимается по трубам, а остывший в радиаторах теплоноситель движется вниз, возвращаясь в котел по «обратке». Циркуляционный насос не используется.
Водяное отопление в частном доме с насосом. Виды котлов и других водогрейных аппаратов
Эффективность работы отопления в частном доме зависит от установки, нагревающей рабочее тело (воду). Правильно подобранный агрегат вырабатывает количество теплоты, необходимое для радиаторов и бойлера косвенного нагрева (при наличии), экономно расходуя энергоносители.
Автономная водяная система может работать от:
- водогрейного котла, использующего определенное топливо — природный газ, дрова, уголь, солярку;
- электрокотла;
- печи на дровах с водяным контуром ( металлической или кирпичной );
- теплового насоса.
Дополнение. Есть комбинированные типы отопителей, одновременно совмещающие 2—3 энергоносителя, например, уголь – природный газ, дрова – электричество (один экземпляр показан ниже на фото). Также существуют универсальные котлы, куда можно установить дизельную форсунку, газовую или пеллетную горелку – на выбор.

Чаще всего для организации отопления в коттеджах применяют именно котлы – газовые, электрические и твердотопливные. Последние изготавливаются только в напольном исполнении, остальные теплогенераторы – настенном и стационарном. Дизельные агрегаты используются реже, причина – высокая цена горючего. Как правильно выбрать водогрейный бытовой котел, рассматривается в подробном руководстве.
Печное отопление, совмещенное с водяными регистрами или современными радиаторами – неплохое решение для обогрева дачи, гаража и небольшого жилого домика площадью 50—100 м². Недостаток — помещенный внутрь печки теплообменник нагревает воду бесконтрольно. Чтобы избежать закипания, важно обеспечить принудительную циркуляцию в системе.
Справка. Раньше подобные схемы делались самотечными – без насоса, с открытым расширительным бачком. Регистры и магистрали сваривались из стальных труб диаметром 40…80 мм (внутренний), прокладываемых с уклоном 3—5 мм на 1 м для лучшего самотека. Отопление называли паровым, поскольку система не боялась закипания.

Современная гравитационная система без перекачивающего агрегата, работающая от водяного контура кирпичной печи
Тепловые насосы не получили широкого распространения на территории стран бывшего Союза. Причины:
- основная проблема — дороговизна оборудования;
- из-за холодного климата аппараты типа «воздух – вода» попросту неэффективны;
- геотермальные системы «земля – вода» сложны в монтаже;
- электронные блоки и компрессоры тепловых насосов весьма дороги в ремонте и обслуживании.
Из-за высокой цены срок окупаемости агрегатов превышает 15 лет. Но эффективность установок (3—4 кВт теплоты на 1 затраченный киловатт электроэнергии) привлекает мастеров – умельцев, пытающихся собрать самодельные аналоги из старых кондиционеров.
Отопление частного дома варианты. Какое отопление лучше для частного дома?
Видов отопительных систем много. В выборе существенную роль играет тип топлива. В зависимости от «сырья» отопление в частном доме потребляет разное количество энергии.

Водяное
Одной из самых популярных и простых систем считается водяное отопление. Она представляет собой замкнутую цепь с центральным элементом – котлом. Он генерирует тепло и передаёт воду по теплопроводным трубам и радиаторам, после чего поток поступает обратно.
Чуть реже в качестве нагревательной жидкости может выступать антифриз, а топлива – керосин, уголь, дрова, электричество и другое сырьё.
Такой непрерывный принцип не требует затрат на дополнительный расход воды. Но и недостатки у системы тоже есть: чтобы отопить обширную площадь, потребуется немалое количество времени и топлива. Водяной котёл долго нагревается, а иногда оказывается малоэффективным без вспомогательных устройств, таких как теплоаккумулятор.
Материалом для труб чаще всего выступает:
- Сталь. Лучше выбирать оцинкованную или нержавеющую, чтобы избежать образования коррозии.
- Медь. Считается самым дорогим вариантом, однако, и самым надёжным. Такие трубы выдерживают высокое давление и температуру. Выбирайте именно медные трубы, если хотите, чтобы отопительная система не вышла из строя долгие годы.
- Полимеры. Оптимальный вариант – металлопластмассовые трубы. Они просты в монтаже, не собирают конденсат и не покрываются ржавчиной. Но стоит быть аккуратными с резким перепадом температуры перемещающейся жидкости или «разморозкой» дачи после зимнего периода. Труба может не выдержать и начнёт протекать.
Существует несколько разновидностей систем. Каждая отличается своими плюсами и минусами, а также нюансами монтажа.

Однотрубная система
Самая простая система, которую можно собрать самостоятельно. Один котёл соединён с радиаторами по линейному принципу: горячая вода проходит через все пункты магистрали и возвращается обратно в теплоноситель. С помощью дополнительных задвижек можно регулировать подачу тепла в разные помещения.
Проложить такое отопление в частном доме можно как в горизонтальном, так и вертикальном направлении. В случае с отоплением по вертикали, котёл лучше устанавливать на верхних этажах и пускать трубопровод вниз.
Минус такой системы в неравномерном нагревании дома, так как более отдалённые помещения всегда будут более прохладными. Подойдёт такой вариант для небольших коттеджей и садовых домиков.

Двухтрубная система
Более сложная система отопления частного дома, с которой не всегда можно справиться без помощи профессионала. В конструкции задействовано сразу две трубы: по одной вода следует к приборам отопления, а по другой – возвращается обратно. Увеличивается не только площадь отопления, но и эффективность. Тепло передаётся равномерно в каждую комнату, где установлен радиатор. Чтобы вода остывала медленнее, на батареях устанавливаются терморегуляторы.
Ещё одно преимущество – разнообразие разводок:
- Горизонтальная тупиковая. Такой тип установить проще всего, но вот температуру контролировать сложнее. Трубы присоединяются к радиаторам сверху и снизу. Чтобы такое приспособление принесло пользу – без циркулярного насоса не обойтись. Он создаёт дополнительный расход электроэнергии, но рациональнее расходует топливо и отапливает все помещения одинаково.
- Горизонтальная попутная. Потоки горячей и остывшей воды движутся по параллельным трубам и поддерживают температуру на нужном уровне.
- Горизонтальная коллекторная. С такой структурой можно добиться максимально равномерного прогрева всего дома. Конструкция имеет множество разветвлений. Трубопровод отходит от каждой батареи, что усложняет процесс установки.
- Вертикальная с верхней разводкой. Вертикальная разводка пригодится в домах с тремя этажами и больше. Трубопровод прокладывается на верхнем уровне или чердаке, после чего тепло распределяется по стоякам к отопительным приборам.
- Вертикальная с нижней разводкой. Основной блок расположен в подвальном помещении – отопитель движется уже вверх и проходит через все установленные радиаторы.
Схемы отопления частного дома Ленинградка. Технология установки системы Ленинградка в частном доме
Если будет делаться ленинградская система отопления частного дома своими руками, то нужно пошагово разобраться в технологии монтажа. Если планируется скрытая прокладка трубопровода, то на подготовительном этапе в стеновой поверхности делают штробы для прокладки труб. Поскольку теплопотери при скрытой прокладке повышаются, трубы утепляют специальным материалом. При открытой разводке утеплять трубопровод не нужно.
Выбор трубопровода и батарей
Для устройства разводки можно использовать металлические или пропиленовые трубы. Трубопроводы из полипропилена проще и быстрее монтируются, но не применяются в северных широтах. Это связано с высокой температурой теплоносителя, что может привести к разрыву трубопровода.

Подготовка воды для системы отопления и как ее правильно умягчить
Для выбора диаметра трубопровода учитывают число радиаторов:
- для подключения не больше пяти приборов применяют трубы диаметром 2,5 см (радиаторы устанавливают на байпасы сечением 20 мм);
- чтобы сделать контур из 6-8 отопительных приборов, используют трубы сечением 32 мм, а байпас диаметром 25 мм.
Внимание! Для устройств самотечного контура понадобится трубопровод сечением не меньше 40 мм. При этом диаметр трубопровода увеличивается при повышении числа радиаторов.
Не менее важно правильно определить количество секций, потому что на выходе из каждой батареи температура теплоносителя понижается на 20°С. Хоть она и смешивается с теплоносителем с высокой температурой (70 градусов), все равно на входе в следующий прибор вода немного прохладнее. Таким образом, при прохождении каждого последующего радиатора температура циркулирующей жидкости будет ниже.
Чтобы компенсировать теплопотери и повысить теплоотдачу радиаторов, число секций в каждом последующем отопительном приборе увеличивают. Чтобы правильно рассчитать теплоотдачу и количество секций, учитывают, что тепловая мощность первого прибора в контуре равна 100%, на второй радиатор требуется 110% тепловой мощности, на третью батарею – 120% и так далее. Иными словами требуемую тепловую мощность каждого следующего прибора в контуре увеличивают на 10%.
Монтаж
Выше мы разобрались, что такое Ленинградка в отоплении, теперь пришла очередь поговорить о монтаже системы. В таких контурах батареи обязательно устанавливаются на байпасах. Для этого они встраиваются в магистральный трубопровод на отдельных отводах. Причем расстояние между каждым отводом нужно точно вымерять. Допускается погрешность не больше 2-х миллиметров. Благодаря такой точности расчетов шаровые краны с американкой и отопительные приборы можно установить правильно.

Полезная рекомендация! Чтобы точно рассчитать расстояние между отводами, в батарее выкручивают угловые вентили и меряют расстояние от одной центральной оси муфты до другой.
На отводы устанавливают тройники. Одно отверстия выделяют для установки байпаса. Чтобы установить второй тройник, нужно измерять расстояние между центральными осями отводов. Важно не забывать, что этот размер изменится после установки байпаса.
Во время сваривания металлических трубопроводов стараются, чтобы не образовывались внутренние наплывы. Когда байпас будет соединяться с магистралью, сначала приваривают тот его край, который позволит безопасно установить другой конец.
На радиаторы устанавливают угловые вентили и комбинированные муфты. Затем монтируют байпасы с отводами. Для этого длину отводов вымеряют отдельно. Излишек трубы срезают, а комбинированную муфту убирают. После этого муфты фиксируют на отводах сваркой.
Перед первым запуском из системы спускают воздух через краны Маевского. После запуска проводится балансировка работы игольчатых клапанов, чтобы выровнять температуру во всех отопительных приборах.
Простая система отопления частного дома. Как правильно монтировать отопление
Чтобы готовая система отопления с естественным типом циркуляции функционировала правильно и эффективно, при ее монтаже важно придерживаться некоторых правил. В целом схема установки выглядит так:
В целом схема установки выглядит так:
- Радиаторы отопления необходимо установить под окнами, желательно на одном уровне и с соблюдением необходимых отступов.
- Далее устанавливают теплогенератор, то есть выбранный котел.
- Монтируют расширительный бак.
- Выполняют разводку труб и стыкуют зафиксированные ранее элементы в единую систему.
- Отопительный контур наполняют водой и выполняют предварительную проверку герметичности соединений.
- Заключительный этап состоит в запуске отопительного котла. Если все работает правильно, значит, в доме будет тепло.
Обратите внимание на некоторые нюансы:
- Котел должен быть расположен в самой нижней точке системы.
- Монтаж труб необходимо выполнять с уклоном в сторону обратного потока.
- Поворотов в трубопроводе должно быть как можно меньше.
- Для повышения эффективности отопления необходимы трубы с большим диаметром.
Надеемся, данная статья будет для вас полезной, и вы сможете самостоятельно смонтировать систему отопления без циркуляционного насоса в вашем загородном доме.
Система отопления с естественной циркуляцией жидкости представляет собой замкнутое устройство гравитационного (самотечного) типа, позволяющее обогреть помещения в частном доме независимо от электропитания.
Такое преимущество конструкции даёт возможность использовать её в регионах с проблемами или полным отсутствием центральной электрической сети. Система экономична, но для её правильного функционирования потребуется сделать точные расчёты.