Отопление в двухэтажном доме. Отопление с естественной циркуляцией
- Отопление в двухэтажном доме. Отопление с естественной циркуляцией
- Как развести отопление на два контура. Как устроена двухтрубная система отопления
- Правильная разводка отопления в частном доме. Однотрубный способ разводки
- Разводка отопления в двухэтажном доме своими руками. Одно- и двухтрубные схемы подключения
- Схема отопления двухэтажного дома с настенным газовым котлом. Отопление с применением двухтрубной схемы
- Схема отопления частного дома 2 этажа. Как делается разводка для двух этажей с помощью тупиковой схемы
- Двухтрубная система отопления двухэтажного дома. Как работает отопление по двухконтурной схеме
- Отопление двухэтажного дома двухконтурным котлом. Схема отопления двухэтажного дома с двухконтурным котлом
Отопление в двухэтажном доме. Отопление с естественной циркуляцией
Особенностью системы отопления с естественной циркуляцией двухэтажного дома является отсутствие насоса, создающего давление в трубах. Движение воды обеспечивается законами гидравлики и термодинамики, для чего трубы устанавливают под определенным углом друг к другу на заданной высоте. Хоть эта система и обладает несколько меньшей тепловой эффективностью, она является полностью автономной, то есть не зависит от электропитания и не расходует дополнительную энергию.
Отопление с естественной циркуляцией двухэтажного дома может выполняться как по однотрубной, так и по двухтрубной схеме. Достоинства и недостатки этих видов подробно рассмотрены ниже. Вот несколько особенностей, о которых нужно помнить при организации любого вида естественной циркуляции:
- потребуются трубы большого диаметра, в противном случае движение воды будет затруднено;
- недопустимо использование расширительных баков закрытого типа — это влечет создание избыточного давления и самотеком система уже работать не будет;
- в качестве места расположения расширительного бака выбирают наивысшую точку трубопровода, в то время как котел располагают внизу, чаще всего — несколько ниже обратной магистрали.
При монтаже системы с естественной циркуляцией в двухэтажном доме неизбежен значительный перерасход материалов и снижение теплоотдачи. Подобные сложности оправданы лишь в одном случае — когда слишком велик риск перебое с электроэнергией в холодное время года.
Однотрубные системы отопления

Под однотрубной системой отопления двухэтажного дома понимается комплекс радиаторов, использующих для приема горячего теплоносителя и сброса остывшего одну и ту же магистраль. Это позволяет существенно экономить на материалах, однако влечет ряд недостатков:
- требуется повышенная мощность котла;
- температура воды в магистралях последовательно снижается от радиатора к радиатору;
- каждый следующий радиатор должен иметь больше секций, чем предыдущий (что является следствием предыдущего пункта).
Таким образом, реализация однотрубных схем имеет смысл лишь в регионах с относительно мягким климатом для отопления небольших домов.
Отопление «Ленинградка»
Как несложно догадаться, эта схема отопления была разработана в Советском Союзе и повсеместно внедрялась в небольших зданиях северной столицы. Основой «ленинградки» является одна общая магистраль, идущая по периметру помещений ниже уровня установки радиаторов. Патрубки врезаются в нее сверху, а для перенаправления потока теплоносителя под каждым радиатором выполняют сужение трубы или устанавливают регулирующий вентиль.
Возможна как естественная, так и принудительная циркуляция. В первом случае рекомендуется устанавливать не более четырех радиаторов, во втором — не более шести. Подключение семи-восьми радиаторов возможно лишь после точных инженерных расчетов, при большем количестве потребителей тепла система считается неэффективной.
Альтернативные виды однотрубного отопления
Дальнейшей эволюцией «ленинградки» можно считать системы с разрывами магистрали и подрадиаторными перетяжками, которые играют роль «узких мест», перенаправляя поток жидкости. Это позволяет упростить основную магистраль, избавившись от сужений и вентилей, а также располагать радиаторы вдали от зоны прокладки основных труб. При достаточной мощности нагнетающего насоса в циклах принудительной циркуляции возможно некоторое увеличение отапливаемых площадей.
Как развести отопление на два контура. Как устроена двухтрубная система отопления
Отопление частного дома с использованием радиаторов подразумевает обустройство трубопроводной сети. Двухтрубная система отопления лучше всего подходит для самостоятельного изготовления, так как «прощает» неопытному мастеру некоторые ошибки в работе.
Общие сведения о двухтрубной системе отопления
Любая система обогрева с жидким теплоносителем состоит из одного или нескольких замкнутых контуров, соединяющих радиаторы и котёл.
В двухтрубной разводке горячий теплоноситель подаётся по одной ветви контура, а возвращается по другой, отсюда и происходит название.
Схема типичной двухтрубной системы отопления в частном доме.
Признаки классификации:
- Организация движения теплоносителя – самотёчная и принудительная.
- Конструкция – открытая или закрытая, горизонтальная или вертикальная.
- Разводка труб – лучевая, тупиковая, кольцевая.
Комбинируя свойства, можно добиться наилучшего соответствия условиям эксплуатации.
Преимущества и недостатки
Плюсы и минусы двухтрубной системы следует рассматривать с учётом эксплуатационных свойств и технических характеристик.
| Преимущества | Недостатки |
| Одинаковая температура теплоносителя во всех радиаторах | Повышенный расход труб – к радиатору необходимо вести 2 ветки, подводящую и отводящую |
| Регулировка теплоотдачи каждой батареи | Большой диаметр труб стояка и подводки к первым в контуре радиаторам |
| Небольшое гидравлическое сопротивление | |
| Работоспособность всей системы при поломке одного или нескольких радиаторов | |
| Использование в зданиях большой этажности | |
| Гибкость вариантов подводки – в полу, в стенах, вдоль стен, под потолком и за фальшпотолком |
В таблице отмечены общие для всех двухтрубных сетей недостатки. Однако каждому варианту разводки могут быть присущи отрицательные качества, ограничивающие применение, которые мы еще рассмотрим далее.
Схемы открытых и закрытых двухтрубных систем отопления
Циркуляция теплоносителя осуществляется тремя способами:
- самотёчным (гравитационный);
- принудительным с помощью насоса;
- комбинированным.
Кроме того, системы разделяются на открытые и закрытые. Этот показатель характеризует взаимодействие теплоносителя и атмосферы.
При нагревании объём любого жидкого теплоносителя увеличивается. Известно, что жидкость практически не поддаётся сжатию, поэтому для размещения «излишков» требуется отдельное устройство – расширительный бак.
Открытый тип
Схема двухтрубной системы отопления открытого типа.
В открытых системах бак устанавливают в высшей точке, он соединён с атмосферой патрубком.
Преимущества открытой системы – простота и минимум дополнительных устройств. В качестве расширительного бачка используют любую.
Готовый расширительный бак под СО открытого типа.
По мере необходимости в бак добавляют воду. Для этого:
- устанавливают краны и соединяют систему с водопроводом;
- доливают теплоноситель через открывающийся люк.
Внимание! Открытую систему не допускается заполнять антифризом – испарившиеся газы могут быть ядовиты.
Закрытый тип
В закрытых системах используют герметичный расширительный бачок с эластичной диафрагменной или баллонной мембраной внутри. Мембрана разделяет устройство на 2 части. В одну камеру насосом нагнетают воздух под давлением 1,2–1,5 атм, а вторая соединена с трубой системы отопления.
Когда теплоноситель нагревается и расширяется, его избыток заполняет бачок. При понижении температуры жидкости мембрана выдавливает теплоноситель в систему. Предварительное нагнетание в бак воздуха позволяет поддерживать давление, необходимое для работы котла, автоматика которого отключает питание при давлении меньше 1,2 атм.
В герметичных конструкциях можно использовать антифризы или гликоли.
Схема двухтрубной системы отопления закрытого типа.
В закрытых сетях бак располагают неподалёку от котла, что упрощает контроль за работоспособностью всей конструкции.
Самотёчные схемы
Самотёчные (гравитационные) системы работают за счёт законов физики. При нормальном атмосферном давлении, будучи нагретой до 50оС, вода имеет плотность 988 кг/м3, а при 85оС — 968 кг м3.
Схема двухтрубной гравитационной системы открытого типа.
В отопительном контуре горячая вода (более лёгкая) поднимается по трубам, а остывший в радиаторах теплоноситель движется вниз, возвращаясь в котел по «обратке». Циркуляционный насос не используется.
Правильная разводка отопления в частном доме. Однотрубный способ разводки
Однотрубная разводка водяного отопления представляет собой следующую систему разводки магистрали: приборы водяного отопления устанавливаются последовательно друг за другом и образуют, таким образом, длинную трубу – как это выглядит, вам поможет понять схема.

Теплоносителем в такой системе является антифриз или вода – жидкость поочередно попадает в радиаторы, которые являются замыкающим звеном цепочки, и отдает свое тепло, которое затем используется для водяного отопления дома.
Таким образом, схема системы заключается в подаче воды из котла в радиатор с использованием труб.
Минус такого устройства в том, что в замыкающий радиатор вода доходит уже холодной.
При таком устройстве однотрубный вариант является вполне эффективным.
Однотрубная схема водяного отопления лучше всего подойдет для двухэтажного дома, т.к. в доме с одним этажом могут возникнуть проблемы с размещением разгонного коллектора, который нужен для качественной работы конструкции.
Разгонный коллектор необходим, чтобы ускорить подачу тепла из труб в радиаторы, а также для того, чтобы поддерживать нужную температуру и снизить шум во время работы системы.
При этом эффективность работы зависит от того, насколько высоко будет располагаться коллекторная – именно поэтому ее установка для двухэтажного дома будет гораздо эффективнее.
Для двухэтажного дома все эти проблемы отпадают: коллектор будет работать тихо и эффективно поддерживать тепло в помещениях.
Коллектор однотрубной отопительной системы выглядит как продолжение труб, но в самом верху отопительной системы к нему подключает расширительный бак.
Однотрубная разводка недорогая, и это один из главных плюсов в ее пользу. Низкая цена сохраняется за счет того, что однотрубная разводка не требует большого количества труб.
Другой плюс данной конструкции в том, что ее можно прокладывать даже в сложных местах, например, под дверными проемами.
Однако однотрубная разводка водяного отопления имеет и минусы: для того, чтобы заменить вышедшие из строя элементы, вам придется полностью отключить ее, и неравномерность обогрева – от расстояния батареи до котла зависит качество нагревания.
Однако, как уже было написано, если несколько модернизировать конструкцию, а также правильно установить ее, то она будет лишена подобных недостатков.
Монтаж системы можно сделать в несколько этапов, они отличаются в зависимости от схемы.
Самый выгодный вариант – установка всех элементов системы (котла, разводки, тепломагистрали) полностью внутри дома, когда она берет начало у точки подачи и заканчивается у котла.
Подключение труб при однотрубной системе может быть двух видов: диагональным и нижним проходным.
Первый тип подключения выбирают чаще всего, т.к. он максимально эффективный.
Кроме того, в доме требуется установить расширительный бак (чаще всего его размещают на чердаке двухэтажного дома), который нужно подключить к разводке, водопроводной и канализационной системе.
Схема поможет вам сделать все правильно.

Для двухэтажного строения есть свои особенности монтажа.
Однотрубная схема в этом случае должна включать радиаторы на каждом этаже, причем количество секций в них и их общее количество должно быть примерно одинаковым, чтобы температура была комфортной во всех помещениях двухэтажного дома.
Такой вариант не слишком красивый, зато легко реализуется и вполне эффективен.
Изучите схемы, как устанавливается однотрубная разводка для двухэтажного дома, тогда вам легче будет определиться, какой вариант подходит именно для вашего строения.
Разводка отопления в двухэтажном доме своими руками. Одно- и двухтрубные схемы подключения
Петля Тихельмана – самое удачное и популярное решение по соотношению стоимости и эффективности. Её отличие в том, что направление потока в подаче и обратке параллельное, следовательно, через какую батарею бы ни шел теплоноситель, длина круга циркуляции будет одинаковой, пути наименьшего сопротивления не существует. В результате, все батареи греют равномерно, но каждую из них можно отдельно отрегулировать или полностью отключить без ущерба для работы системы.
Коллекторная схема подразумевает наличие двух коллекторов, для подачи и обратки, от которых лучами разведены пары труб к каждому отопительному прибору. Для наилучшей эффективности коллектор располагают так, чтобы расстояние от него до каждого прибора отопления было примерно одинаковым. Обычно на каждый этаж устанавливается отдельный коллектор.
Только в такой системе на каждую батарею будет подаваться теплоноситель одинаковой температуры, и именно ей проще всего управлять, менять мощность обогрева отдельных точек.
Основной недостаток лучевой схемы подключения – необходимость большого количества труб, что не только повышает стоимость, но и усложняет монтаж. С другой стороны, подводка таких систем полностью скрыта, а это выглядит эстетично.
Ещё один важный момент – коллекторная система, в отличие от всех предыдущих, не может быть гравитационной. Это значит, что даже при энергонезависимом котле, отопление отключится, как только отключат свет и остановится насос.
Для настройки лучевой системы не нужно подходить к каждому прибору: все краны собраны в коллекторном шкафу, необходимо их лишь точно промаркировать при подключении
Часто в двухэтажных домах используют разные схемы разводки отопления для разных помещений, в зависимости от их планировки, площади и используемых отопительных приборов.
В двухэтажном доме однотрубные проекты, с единой трубой подачи, практически не используются, потому как последние радиаторы в контуре работают крайне неэффективно. В зависимости от площади дома, отдельные контуры соответствуют каждому этажу, нескольким или даже каждой комнате.
Также принято отделять контур радиаторов от тёплого пола, в силу необходимости разного рабочего давления и температуры.
Деление подачи из котла на разные контуры может осуществляться через гидрострелку, коллектор, либо их сочетание. Первая обеспечивает потоки разного давления и температуры для разных систем, второй же эффективен для контуров с однотипными приборами, например, лучевого подключения радиаторов.
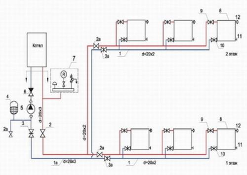
Схема отопления двухэтажного дома с настенным газовым котлом. Отопление с применением двухтрубной схемы
Схема двухтрубной системы отопления для двухэтажного дома очень проста. Ее принцип заключается в использовании двух магистралей: подающей и обратки. По подающей магистрали теплоноситель поступает от котла к радиаторам, а в обратку поступает охлажденная вода, возвращаемая в
котел. Первоначально монтируются обе магистрали, после чего осуществляется подключение к ним радиаторов в любом количестве.

Двухтрубный вариант является максимально эффективным, так как на каждый радиатор будет поступать теплоноситель с одинаковой температурой.
Такая система отопления подразделяется на два вида:
- Тупиковая. Принцип тупиковой системы заключается в том, что подающая и обратная магистраль заканчивается на последнем радиаторе. При этом происходит изменение направления движения теплоносителя, так как он начинает протекать обратно к котлу. Выше на схеме представлена схема тупикового типа отопления.
- Попутная. Подающая магистраль заканчивается на последнем радиаторе, а обратка начинается от первой батареи. При попутной схеме отопления направление движения воды не изменяется.
Обе системы отопления двухэтажного дома функционируют с применением принудительной циркуляции. В качестве материала для монтажа магистралей можно использовать трубы из полипропилена.
Отопление в частном доме можно сооружать из полипропиленовых труб, за исключением системы самотечного типа. Использование полипропилена упрощает процесс монтажа, а также удешевляет его.
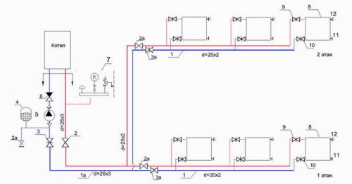
Схема отопления частного дома 2 этажа. Как делается разводка для двух этажей с помощью тупиковой схемы
Наиболее часто применяется и просто реализуется тупиковая двухтрубная схема для двух этажей. Для небольшого частного дома – два плеча на первом этаже и одно плечо на мансардном этаже. Если второй этаж полноценный — там, соответственно, тоже 2 плеча… В каждом простом (не ветвящемся) тупике рекомендуется до 5 шт. радиаторов. Таким образом для 2х тупиков на этаж — до 10 шт радиаторов, обычно это полностью устраивает по отапливаемой площади до 250 м кв.

Схема легко совмещается с теплым полом на первом этаже. Не требует глубоких балансировок, обеспечивает расход теплоносителя через все радиаторы с разницей не более 20%, что приемлемо, при этом наиболее дешева, может применяться и для прокладки труб по стенам с перебуриванием перегородок, и для прокладки под полом. Важно, что нет необходимости обходить дверные проемы — тупики располагают так, чтобы они заканчивались возле дверей…

На практике зачастую тупиковую разводку дробят для удобства подключения и укорачивания разводки под полом – один тупик делят еще на 2 — 3 ответвления, если их длина и тепловая нагрузка приблизительно одинаковые, по 2 – 3 радиатора в каждом ответвлении. Таким образом, в одном тупике может быть установлено без глубокой балансировки более 5 радиаторов.

Схема отопление двухэтажного здания, тупиковая с разветвлением тупиков на несколько ветвей. Здесь используются несколько стояков для подключения радиаторов второго этажа. Но по дизайнерским соображениям подобные схемы часто бракуются, их несложно заменить разводкой гибких труб над отшивкой потолка.
Двухтрубная система отопления двухэтажного дома. Как работает отопление по двухконтурной схеме
Конструкция двухтрубной системы водяного отопления предполагает подачу и отвод теплоносителя от каждого радиатора по двум отдельным магистралям. Упрощенно: входной патрубок батареи подключен к подающей линии, выходной – к обратной. По первому трубопроводу нагретая вода из котла раздается всем отопительным приборам, вторая труба собирает остывший теплоноситель и направляет обратно в теплогенератор.

Пример раздачи и возврата теплоносителя от батарей по двум линиям
Особенности двухконтурного распределения воды:
- если все элементы системы рассчитаны правильно, то каждый радиатор получает теплоноситель одинаковой температуры;
- изменение протока воды через одну батарею вследствие регулировки мало влияет на работу соседних отопительных приборов;
- число радиаторов на одной ветви может достигать 40 шт. при условии, что производительность насоса и диаметр подводящих труб обеспечивает расчетный расход воды.
Примечание. Цифра 40 взята на основании практического опыта проектирования и монтажа отопления в производственном цехе. В загородных коттеджах столько приборов к одной ветви не подключается, максимум – 10 шт. Если надо сделать разводку по многоэтажному зданию, сеть теплоснабжения делится на несколько двухтрубных контуров.
Движение воды по трубам и батареям обеспечивается двумя способами – естественным (конвекционным) и принудительным. Вариантов подвода теплоносителя тоже существует несколько, поэтому предлагаем рассмотреть каждую схему отдельно.

Отопление двухэтажного дома двухконтурным котлом. Схема отопления двухэтажного дома с двухконтурным котлом
Обычная схема отопления двухэтажного дома с двухконтурным котлом ничем не отличается от такой же схемы с одноконтурным теплогенератором, если дело касается только обогрева помещений. Что же касается ГВС, то схема отопления двухэтажного дома с двухконтурным котлом имеет свои особенности.
В первую очередь, это добавление к обвязке теплогенератора в виде подводящего и отводящего трубопровода ГВС. Подводится холодная вода, а отводится, соответственно, горячая. При этом схема отопления двухэтажного дома с двухконтурным котлом будет иметь также отличия от ГВС в одноэтажном доме. В чем отличия?
Во-первых, вся система горячего водоснабжения, равно как и, в одноэтажном доме проходит по 1 уровню. В двухэтажном доме вы должны формировать 2 ветки отопления и 2 ветки ГВС – на первом и на втором этаже.
Во-вторых, при использовании двухконтурного котла, особенно газового, неразумно использовать для нагрева воды электрические бойлеры. Это значит, что после узла нагрева вы должны делать точки водоразбора по всему дому, на 1 и 2 этаже, на минимальном расстоянии от котла. И если раньше вы могли разместить 2 бойлера – на первом и втором этаже, то теперь у вас один узел нагрева – в котельной.
В-третьих, раз вы используетедля производства ГВС, то вам стоит подумать над тем, чтобы размещать санузлы, кухню на первом этаже поблизости от котельной. А санузел второго этажа – обустроить прямо над котельной, блокируя его, например, с прачечной.
Некоторые хозяева прачечную размещают в подвале. Однако удобнее всего, когда прачечная располагается рядом со спальнями – поверьте слову практика. Но про прачечные и ГВС – подробно в другом материале. 